GT-WTS-1 张力传感器
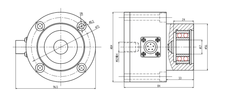
Dimensions外形尺寸(in mm)

0kg...200kg
Maximum capacity (Emax)额定载荷(kg): 10,25,50,75,1

技术参数
| 型号 | GT-WTS-1 |
Rated Load | 额定载荷 | kg | 10,25,50,75,100,150,200 |
Rated Output | 额定输出 | MV/V | 1±0.1% |
Zero balance | 零点平衡 | %R.O | ±1 |
Comprehensive Error | 综合误差 | %R.O | ±0.5 |
Nolinear | 非线性 | %R.O | <0.1 |
Lag | 滞后 | %R.O | <0.1 |
repeatability | 重复性 | %R.O | <0.05 |
Temp. compensated | 正常工作温度范围 | ℃ | -10-+40 |
Safe temp. range | 允许工作温度范围 | ℃ | -20-+70 |
Temp.effect/10℃ on output | 温度对灵敏度影响 | %R.O./10℃ | ±0.03 |
Temp.effect/10℃ on zero | 温度对零点影响 | %R.O./10℃ | ±0.03 |
Rated excitation | 激励电压 | VDC | 5-12 |
Maximum excitation | 最大激励 | VDC | 15 |
Input impedance | 输入阻抗 | Ω | 380±10 |
Output impedance | 输出阻抗 | Ω | 350±3 |
Insulation resistance | 绝缘阻抗 | MΩ | >5000 |
Safe overload | 安全载荷 | %R.C. | 150 |
Ultimate overload | 极限载荷 | %R.C. | 300 |
Material | 材料 | | alloy steel |
Degree of protection | 保护等级 | | IP65 |
Cable color code | 接线 | | Red(+E) Black(-E) Green(+S) White(-S) |